热门搜索: 华科电容贴片电阻电容贴片高压电容

产品中心
当前位置: 首 页 > 产品中心 > 自贡JJM
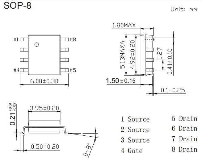
自贡场效应管(MOS)

自贡场效应管(MOS)

  • 所属分类:自贡JJM
  • 发布日期:2023-08-09
24小时免费咨询热线:

13182653908

  • 产品概述

33.jpg

标签

近期浏览:

相关产品

相关新闻